V455 型动态平衡电动调节阀
- 产品详情
动态水力平衡阀是解决暖通空调系统动态水力失调的问题,使系统达到动态水力平衡。动态水力平衡设备有一个最基本的特点就是抵御水系统干扰的能力,即在系统压力波动时维持输出的不变。
动态平衡电动调节阀是动态平衡调节阀与电动调节阀一体化的产品,它不但具有传统的电动二通阀的电动调节作用。既通过房间温控器控制电动二通阀的开关来调节房间的温度还具有动态平衡的作用。即能在压力系统波动时,始终维持电动二通阀开启时的流量保持不变。避免了如传统的电动二通阀在系统处于部分负荷运行时由于压力波动较大从而使输送的水流量波动较大。温度控制误差较大,房间忽冷忽热。
动态平衡电动调节阀特性优势:
调节精度高: 流量误差≤ 3%
输送热( 冷) 量: 在任意开度位置的流量是唯一和恒定的
调节开度变化: 只受标准信号的控制, 不受系统压力波动的影响
工作状态: 稳定不受压力波动的影响
抗干扰能力: 强
最小压差要求: 必须维持最小压差以保证动态平衡
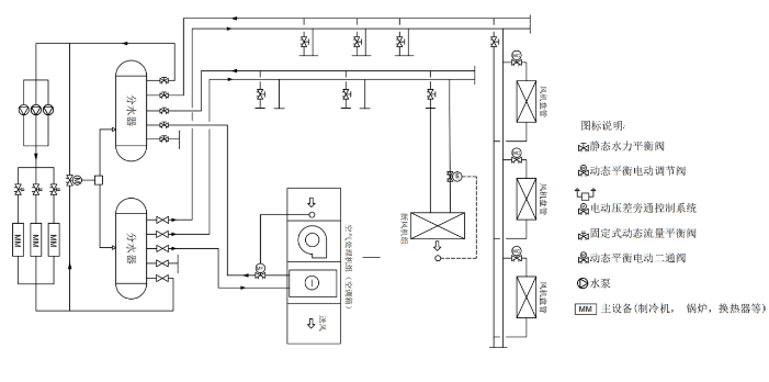
为变流量水力系统提供全面平衡的解决方案:
产品在空调水系统中的应用:
动态平衡电动调节阀尺寸参数:
产品编号 | 阀门形式 | 外形尺寸(mm) | |||
规格 | 长(L) | 中轴线下高(H2) | 中轴线上高(H) | ||
1 | 两通 | DN25 | 160 | 70 | 265 |
2 | DN32 | 180 | 100 | 275 | |
3 | DN40 | 200 | 110 | 285 | |
4 | DN50 | 230 | 120 | 290 | |
5 | DN65 | 290 | 124 | 339 | |
6 | DN80 | 310 | 150 | 348 | |
7 | DN100 | 350 | 158 | 357 | |
8 | DN125 | 400 | 193 | 379 | |
9 | DN150 | 480 | 193 | 379 | |
10 | DN200 | 495 | 198 | 390 | |
动态平衡技术参数:
产品编号 | 工作电压 | 推力 | 功率 | 输入信号 | 输出信号 | 环境温度 | 防水性 | 质量 |
V455-Ⅰ | 230VAC24VAC | 500N | 10W | 0-10VDC | 0-10VDC4-20MA | -10-60℃ | IP65 | 2.8kg |
4-20MA | ||||||||
1-5VDC | ||||||||
V455-Ⅱ | 230VAC24VAC | 3000N | 20W | 0-10VDC | 0-10VDC4-20MA | -10-60℃ | IP65 | 3.9kg |
4-20MA | ||||||||
1-5VDC |
安装位置:
●安装箱进水或回水管 ●新风机组进水或回水管 ●空气处理机组进水或回水管
