网站首页 产品中心 水利控制阀 850持压/泄压阀

    850持压/泄压阀

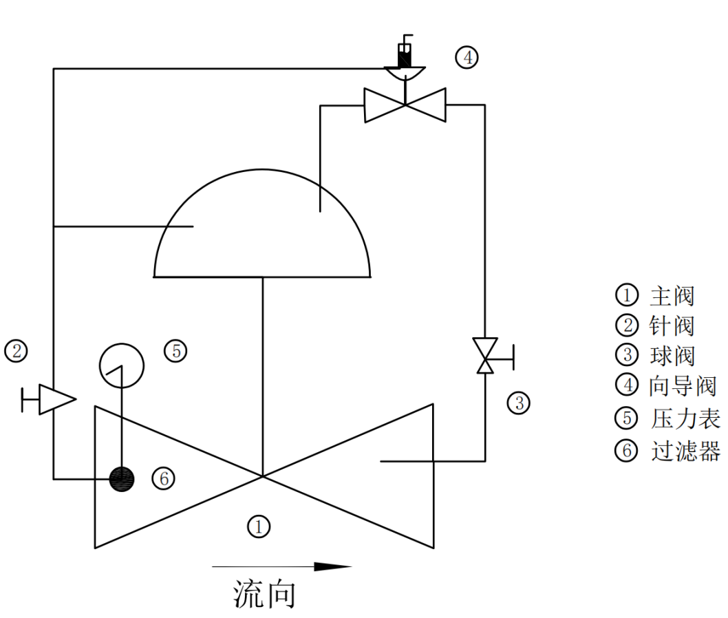
    • 产品详情

    产品特点:

    可将水管中超过向导阀安全设定值的压力释放,并维持管中压力于一定安全值。

    同时可维持主阀上游供水压力于设定值,以保障主阀上游供水的压力。

                         


    产品
    蝶阀
    平衡阀
    水利控制阀
    闸阀
    关于
    公司简介
    荣誉资质
    企业文化
    新闻
    行业动态
    媒体报道
    企业资讯
    联系我们

    电 话:010-88177285

    地 址:北京丰台区总部基地大溪地一区2号楼

    邮 箱:venturi@vip.163.com

    传 真:010-88177285

    2023 版权所有 - 山东文特瑞阀门科技有限公司-京ICP000088
    协议内容