网站首页 产品中心 水利控制阀 840X流量控制阀

    840X流量控制阀

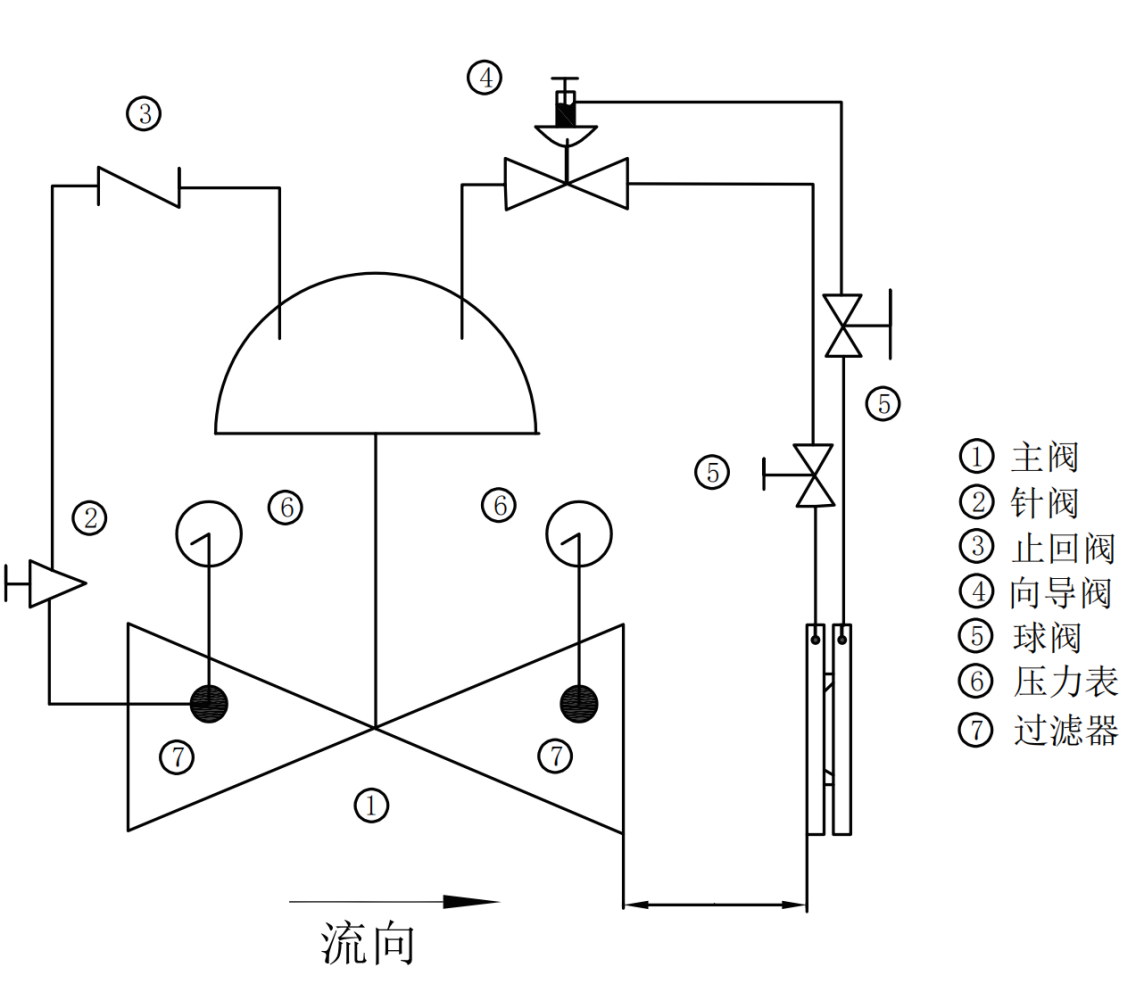
    • 产品详情

    产品特点:

    透过预先设定的向导阀,可使通过主阀水量为一固定流量,不会因主阀上游之压力变化而影响下游流量。

    用于送配水或空调管路中,控制管路上的流量为一固定值

                                              

    产品
    蝶阀
    平衡阀
    水利控制阀
    闸阀
    关于
    公司简介
    荣誉资质
    企业文化
    新闻
    行业动态
    媒体报道
    企业资讯
    联系我们

    电 话:010-88177285

    地 址:北京丰台区总部基地大溪地一区2号楼

    邮 箱:venturi@vip.163.com

    传 真:010-88177285

    2023 版权所有 - 山东文特瑞阀门科技有限公司-京ICP000088
    协议内容