V432型法兰式平衡阀
- 产品详情
优势:
集流量调节,关断和流量测量多种功能于—身
流量测量是通过文丘里管实现
流量测量精度可达+/-3%
在1-100kPa的压差范围内都可以保持始终如—的测量精度
流量设定值可记忆,不受阀门开关影响
文丘瑞静态平衡阀是具有流量调节,关断和流量测量的多功能静态平衡阀。 文丘瑞静态平衡阀用于有水力平衡要求的供热与制冷系统中,确保系统的实际流量分配与设计流量相符。
文丘瑞静态平衡阀由调节部分和流量测量装置组成。流星调节由蝶阀完成,蝶阀配有手轮传动箱,可轻松进行调节和关断,并带有记忆功能,流量测量装置是—个结构独特的文丘里管,可以测得水流通过文丘里管时产生的压差信号。
通过阀门的流量就根据压差信号计算得出。测量的精度可达+/-3%,而且在从1-100kPa的测量范围内都可以保持始终如—的精度。
技术参数:
压力和温度等级 | ||
最高工作温度 | V432 | V433 |
120℃ | 120℃ | |
最大工作压力(法兰连接) | 16 bar | 16 bar |
材质 | ||
文丘里管 | 炭钢St.37 | |
P/T 测量接头 | 防脱锌黄铜 | |
P/T温量接头密封 | EPDM | |
蝶阀阀体 | 球墨铸铁 | |
蝶板 | 不锈钢 | |
心轴 | 不锈钢 | |
密封圈 | EPDM | |
驱动销 | 不锈钢 | |
轴密封 | EPDM | |
轴承 | 青铜(润滑处理) | |
阀体标识 | ||
文丘里管 | PN16,120℃,St.37 | |
蝶阀 | 阀门类型,DN和Kvs值 | |
连接方式 | ||
法兰连接 | BS 4504-PN16 | |
压力测试 | 依据ISO5208:1993E | |
功能说明
流量调节
转动传动箱上的手轮可以调节阀门的流量。当逆时针转动手轮时,流呈增加;当顺时针转动手轮时,流量减小。通过使用专用流量表可以测得阀门的实际流量,同时可以调节流量使其符合设计流量。当实际流量与设计流量相等时,传动箱上的设定值可以用记忆装置锁定。 锁定后,阀门仍可以进行关断,再次开启时也不会丢失原来的设定值。
关断功能
顺时针转动手轮到传动箱上的“S”标记处,则阀门关闭。当阀门再次开启时,记忆装置可以阻挡阀门超过原设定值, 从而保持原设定值不变。
流量测量
文丘瑞静态平衡阀的流量测量是通过文丘里管实现的。 文丘里管内置了两对导流孔(P/T接头),其中—个P/T接头位于文丘里管的高压侧,另一个P/T接头位于文丘里管的低压侧。 两个P/T接头之间用橡胶膜分隔。 从两个P/T接头测得的压力差可以用来计算流经阀门的实际流量。压差可以用专用流量表测得,并被自动转换成流量(I/S或m3 /h),也可以用公式计算得出。
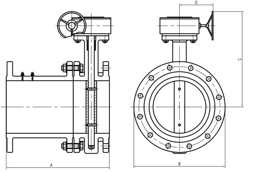
V432型法兰式
序号 | 规格 | 尺寸mm | 螺栓数量 | |||
DN | A | B | C | D | 套 | |
1 | 65 | 248.5 | 185 | 267 | 135 | 4 |
2 | 80 | 318 | 200 | 287 | 135 | 8 |
3 | 100 | 400.5 | 220 | 295 | 135 | 8 |
4 | 125 | 425.5 | 250 | 318 | 145 | 8 |
5 | 150 | 435.6 | 285 | 355 | 145 | 8 |
6 | 200 | 466 | 340 | 440 | 178 | 12 |
7 | 250 | 508 | 405 | 492 | 178 | 12 |
8 | 300 | 551 | 460 | 501 | 190 | 12 |
